扫码咨询 地址:广州市增城区宁西街香山大道8号1栋11层1101房 咨询电话:020-82185819 邮编:510000

产品特征:
● 非接触式测量,回路法,实时监测预警
● 防爆结构设计,防爆防腐防尘
● 通讯方式:RS485、LoRa、4G
● 供电方式:太阳能、电池、220V、24V、12V
咨询热线: 18928848650 智能接地电阻在线监测仪专为在线监测接地引下线的连接状况、回路接地电阻、金属回路联结电阻而精心设计制造的。在线测试、非接触测量、地线穿心通过、绝不影响防雷接地效果和设施的正常运行,无需自检、实时检测、采用RS485有线通信传输数据,实现远程在线监测。监测仪内置传感器与电路板,完全封闭,具有防雨淋、防尘、耐高低温、防腐、阻燃及防爆等特性,确保野外、矿井下、室内等长时间在线监测的高精度、高稳定性、高可靠性。
可以单个安装使用,也可以通过RS485通讯方式自行组建成有线网络系统使用。有线网络系统由监测仪、监控软件、【通讯器、电源适配器、电脑(以上须用户自备和二次开发)】等组成,适合于近距离(1500米距离内)接地电阻监测。
■产品用途
适用于输电线路杆塔接地;气象防雷接地;石油化工接地;通讯接地;变配电站接地;铁路设施接地;建筑仓库接地;金属回路阻值;电气设备接地等。
■产品特点
● 非接触测量,不影响接地效果和设备的正常运行。
● LCD显示监测值,可设置报警临界值,具有声光报警指示。
● 可独立安装使用,也可以自行组建成有线网络系统使用。
● 内置传感器与电路板,完全封闭,具有防灰尘、耐高低温、防腐、阻燃及防爆。
● 使用超微晶磁芯,具有高精度、高稳定性和高可靠性。
● 对外提供RS485通信方式,通信方式与帧格式可定制。
● 电源与有线通信电路设计有雷电防护线路,产品工作更可靠。
● 本监测箱防爆达标(Ex db ia mb IIC T6 Gb),适用于爆炸环境,外壳高强度耐腐蚀。
■技术参数
| 名称 | 智能接地电阻在线监测仪 |
| 型号 | LF JDJ |
| 规格 | 回路法、485 |
| 电源 | 标配12Vdc(可选24Vdc宽电压) |
| 电阻量程 | 0.01Ω~100Ω |
| 溢出指示 | 测试值大于100Ω时,LCD显示“OLΩ”符号 |
| 分辨率 | 0.001Ω |
| 测量精度 | ±2%rdg±3dgt(20±5℃,70%RH 以下) |
| 地线穿孔尺寸 | 53mm×20mm |
| 通信方式 | RS485通信方式(支持ModBus协议)、(选配LoRa、4G、5G) |
| 网络点数 | 1~250个接地点,可扩展 |
| 通讯距离 | 约1500米,可扩展 |
| 报警指示 | 声光报警、LCD显示 |
| 报警设置 | 监测仪面板设置,后台设置 |
| 数据显示 | 4位LCD显示 |
| 换档 | 全自动换档 |
| 地线干扰电流 | 应避免 |
| 外部磁场 | <40A/m |
| 外部电场 | <1V/m |
| 单次测量时间 | 约0.5秒 |
| 功耗 | 监测仪:50mA Max |
| 防护等级 | IP66 |
| 防爆标志 | Ex db ia mb IIC T6 Gb |
| 工作温湿度 | -20~+55℃;20%RH~90%RH |
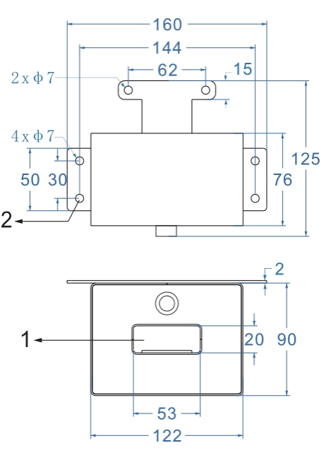
■监测仪结构
1、地线穿孔尺寸:53mmx20mm 2、安装螺丝孔Φ7mm
3、电源、RS485通讯进线孔 4、监测仪进线孔
5、4G天线进线孔 6、LCD显示器
7、POWER指示灯 8、ALARM指示灯
9、SET键 10、ENTER键
11、上箭头键 12、下箭头键

功能介绍
| POWER指示灯 | 工作电源指示,电源接通即显示 |
| ALARM指示灯 | 报警指示灯,被测试值大于设定的临界值时闪烁 |
| SET键 | 进入设置 |
| 上下箭头键 | 按SET键进入报警设置后,按上下箭头键改变数字大小 |
| ENTER键 | 报警临界值设置好后,按ENTER键确定保存 |
■实物图
■网络结构
1.独立安装使用

可以独立安装使用,也可以组建网络。LCD直接显示被测值,可以通过监测仪设置报警临界值,还具有声光报警功能。
2.有线网络系统
有线网络系统通过RS485通讯方式传输数据,由监测仪、监控软件、【通讯器、电源适配器、电脑(以上须用户自备和二次开发)】等组成,适合于1500米近距离接地电阻监测。
■检测原理及应用
1.检测原理
接地电阻在线监测仪测量接地电阻的基本原理是测量回路电阻。传感器先给被测接地回路一个激励脉冲信号,在被测回路上感应一个脉冲电势E,在电势E的作用下将在被测回路产生电流I。传感器对E及I进行测量,并通过公式:R=E/I即可得到被测回路电阻。
2.回路电阻定义
如图:回路电阻包括A点对地的接地电阻值、接地引下线金属导体的阻值、金属架空线的阻值、接地引下线与金属架空线之间的连接电阻值(接触电阻)、B点对地的接地电阻值的综合值。对形成上述回路的接地系统,可以直接安装监测仪监测,若没有形成回路的接地系统,需要增加辅助接地极使其形成回路,再安装监测仪,见后述单点接地系统。
若监测仪测试出的地网A、地网B回路的综合值为5欧,即:RA+RB+R架空线+R接地引下线=5.0Ω,那地网A、地网B两个并联起来对地的实际接地电阻值一定小于等于2.5Ω,据此可以判断地网A并联了地网B后的实际接地电阻值是否合格。若地网A、地网B两者加起来的接地电阻值小于工程标准要求值,那地网A、地网B都是合格的。
3.金属回路的联结电阻检测
若地网A、地网B在地面上、下都连接在一起,则接地电阻监测仪测试出的是金属回路的电阻值,其值一般很小,零点几欧姆,这就是金属回路的联结电阻值,也是等电位电阻值,不是接地电阻值。所以本监测仪也能非常方便地检测金属回路的联结电阻值。
在大型地网中,例如变电站接地、油库接地、楼盘建筑接地等,它们在地下都是一个整体的大型地网,同时有多根接地引下线引出地面,并在地面上也连接在一起的,如下图。对于这样的大型接地系统,其地网最大对角线距离一般几百米到几千米,测试这样的大型地网的接地电阻是非常麻烦和困难的。若真有其接地电阻不合格,那问题也是出在接地引下线与地网间的连接位置(图中箭头所指的焊接位置),工程改造就是开挖接地引下线位置,再重新焊接接地引下线。实际是不可能把地下的整个网进行改造,否则整个地网、地面工程都将推倒重建,这是不可能的,除非整个工程报废。
所以,对于大型地网,我们可以在主接地引下线和支接地引下线上安装监测仪,监测接地引下线与地下网间的连接状况就可以了,通过检测其金属回路联结电阻值来判断接地引下线的接地状况。
4.单点接地系统
若地网A、地网B之间若没有架空线,在地面上没有连接在一起,则地网A、地网B为独立的单点接地。则监测仪不能直接测试单点接地系统的接地电阻值,会显示“OL”溢出符号,表示超出监测仪的上量限。此时需要增加一个或两个辅助地极,构成回路,再安装监测仪。对于近距离内有2个或2个以上的单点接地系统,可以将各单点接地系统的接地引下线在地面上用金属导体连接起来,形成回路,再安装本监测仪监测。
5.三点法
下图中,被测试接地极为A,另做的两个辅助地极为B、C。地极A、B、C在地面上连接在一起。在三个接地极的接地引下线上分别安装一个监测仪,能精确测试出A点的接地电阻值。计算如下:
R1=RA+RB∥RC--------(1);
R2=RB+RA∥RC--------(2);
R3=RC+RA∥RB--------(3)。
其中:R1、R2、R3为监测仪的检测结果;RA、RB、RC为三个接地极对地的接地电阻值。通过对上述三个三元方程求解,可以精确得出被测接地极RA的接地电阻值,同时也知道辅助地极RB、RC的接地电阻值及RA、RB、RC三点并联后的接地电阻值。
三点法检测还带来另外一个优点:由于增加的辅助地极B、C是并联于被测接地极A,这样并联后的实际接地电阻值会小于RA,起到改善被测接地极的作用。RA∥RB∥RC<RA。实际施工时,辅助地极B、C的接地电阻值要求控制在被测试接地系统工程标准要求值的10倍以内,若工程要求接地电阻值不能超过4Ω,那么RC<40Ω、RB<40Ω,当然RB、RC越小越好,更能改善被测接地系统。
6.应用
(1).输电系统杆塔接地
它们通过架空地线连接,组成多点接地系统,检测非常方便,其等效电路见下右图。

其中:R1为预测的接地电阻,R0为所有其它杆塔的接地电阻并联后的等效电阻,即R0=R2∥R3∥R4∥…∥Rn,若n越大(接地点越多),R0值越接近于0,远远小于R1,从工程角度可以视R0=0,这样,监测仪所得的数据就应该是R1的值。
可以对每个杆塔都安装监测仪,同时测试各杆塔的接地电阻值。
(2).机房、发射塔接地
机房、发射塔接地在野外一般是独立的,将两者连接起来,构成二点回路,再安装监测仪,如下图。也可另做2个辅助接地极,用三点法监测。
(3).建筑物接地
若R1~R6…Rn在地下是独立的接地体,没有连接在一起,构成多点接地系统,检测能非常方便检测接地电阻值。若R1~R6…Rn在地下是连接在一起的,则为单点接地系统,测试接地电阻按单点接地系统进行检测,直接安装即检测金属回路电阻,可以判断接地状况的好坏。
对于大型的建筑地网,监测其接地状态——接地引下线与地网间的等电位值就可以了。因为这类大型地网,若接地出问题只会是接地引下线与地网间的连接处,所以监测判断等电位值是否合格即可。
(4).储油罐、装卸点接地
油站主要设施的接地电阻及连接电阻,须符合JJF2-2003《接地式防静电装置检测规范》的要求。
■接线说明
| 端子标识 | 接线说明 |
| 钳头 | 与钳头相接 |
| A | 接RS485输出的A端 |
| B | 接RS485输出的B端 |
| V+ | 接DC12V的正极 |
| V- | 接DC12V的负极 |
| 4G模块外置天线 | 接迷你小蘑菇头天线 |
请按照以上端子标识进行连接
操作步骤:
①.将监测仪穿过监测仪进线孔与电路板连接
②将4G天线穿过4G天线进线孔与4G模块连接 (有线通讯时无此步骤)
③.分别将RS485 A、B接入“A”“B”端(“G”端可不接)
④.分别将电源正极、负极接入“V+”“V-”端
注意:机箱进线孔堵头尚未打通;连接电源时正负极切勿错接。
扫码咨询